web stats
Wiring Craftsman Garage Door Opener: Step-by-Step Guide! Wiring diagram for craftsman garage door opener » wiring digital and

Wiring Craftsman Garage Door Opener: Step-by-Step Guide! Wiring diagram for craftsman garage door opener » wiring digital and

Step-by-step guide to installing garage door opener sensors

If you are searching about How To Wire Craftsman Garage Door Opener you've visit to the right page. We have 25 Images about How To Wire Craftsman Garage Door Opener like Wiring Diagram For Craftsman Garage Door Opener » Wiring Digital And, How To Wire Craftsman Garage Door Opener and also Schematic Craftsman Garage Door Opener Sensor Wiring Diagram - Wiring. Here you go:

How To Wire Craftsman Garage Door Opener

How To Wire Craftsman Garage Door Opener circuitsiparios9.z13.web.core.windows.net

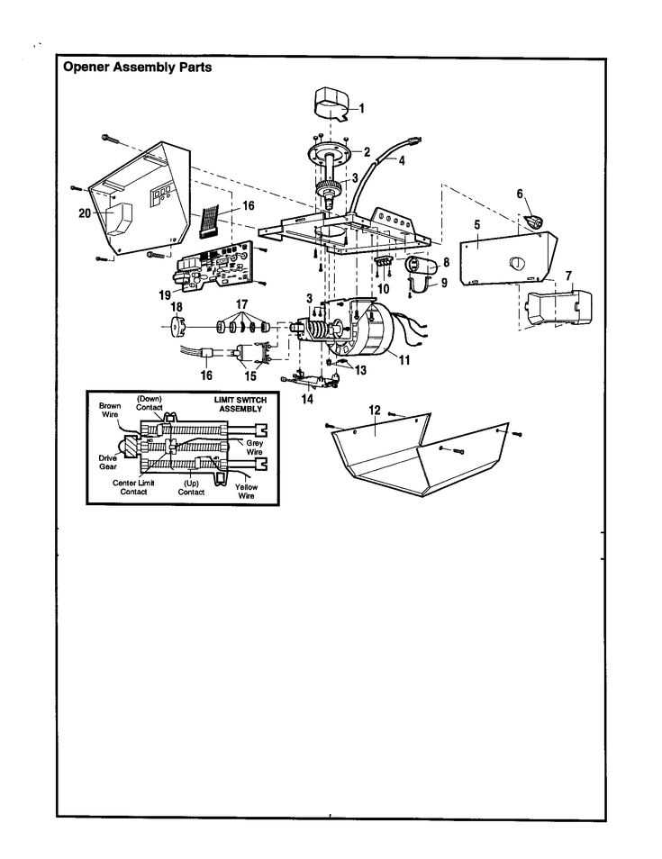
How To Wire Craftsman Garage Door Opener

How To Wire Craftsman Garage Door Opener anisado1qschematic.z14.web.core.windows.net

Step-by-Step Guide: Craftsman Garage Door Sensor Wiring Diagram

Step-by-Step Guide: Craftsman Garage Door Sensor Wiring Diagram wiringall.com

A Step-by-Step Guide: Garage Door Motor Wiring Diagram

A Step-by-Step Guide: Garage Door Motor Wiring Diagram resolutionsforyou.com

Craftsman Garage Door Opener Install Instructions

Craftsman Garage Door Opener Install Instructions garagedoorpedia.com

Step-by-Step Guide To Installing Garage Door Opener Sensors

Step-by-Step Guide to Installing Garage Door Opener Sensors www.thehomehacksdiy.com

How To Reprogram The Craftsman Garage Door Opener?

How To Reprogram The Craftsman Garage Door Opener? heritagedoor.com

Wiring Diagram For Craftsman Garage Door Opener » Wiring Digital And

Wiring Diagram For Craftsman Garage Door Opener » Wiring Digital And www.wiringdigital.com

The Complete Guide To Craftsman Garage Door Opener Wiring: Installation

The Complete Guide to Craftsman Garage Door Opener Wiring: Installation eleccircs.com

How To Wiring Garage Door Opener (Step-by-Step Guide)

How to Wiring Garage Door Opener (Step-by-Step Guide) garagesideas.com

Wiring Diagram For Craftsman Garage Door Opener » Wiring Digital And

Wiring Diagram For Craftsman Garage Door Opener » Wiring Digital And www.wiringdigital.com

Craftsman Keypad Garage Door Opener Programming: Step-by-Step Instructions

Craftsman Keypad Garage Door Opener Programming: Step-by-Step Instructions electriccarspedia.com

Craftsman Garage Door Opener Troubleshooting – Step By Step Guide

Craftsman Garage Door Opener Troubleshooting – Step by Step Guide garageadviser.net

How To Program Remote Control For Craftsman Garage Door Opener: Step-by

How To Program Remote Control For Craftsman Garage Door Opener: Step-by electriccarspedia.com

10 Simple Steps To Wiring Your Craftsman Garage Door Opener Like A Pro

10 Simple Steps to Wiring Your Craftsman Garage Door Opener like a Pro resolutionsforyou.com

Step-by-Step Guide: How To Wire A LiftMaster Garage Door Opener With A

Step-by-Step Guide: How to Wire a LiftMaster Garage Door Opener with a techschems.com

How To Install And Wire A Liftmaster Garage Door Opener: Step-by-Step

How to Install and Wire a Liftmaster Garage Door Opener: Step-by-Step schempal.com

Garage Door Opener Wiring Diagram Craftsman

Garage Door Opener Wiring Diagram Craftsman diagrammuurblomb5.z21.web.core.windows.net

Program Genie Universal Remote To Craftsman Garage Door Opener: A Step

Program Genie Universal Remote to Craftsman Garage Door Opener: A Step geniedoortips.com

14x14 Garage Doors: The Ultimate Guide To Oversized Solutions

14x14 Garage Doors: The Ultimate Guide to Oversized Solutions garagesideas.com

Schematic Craftsman Garage Door Opener Sensor Wiring Diagram - Wiring

Schematic Craftsman Garage Door Opener Sensor Wiring Diagram - Wiring www.organised-sound.com

How To Wire Craftsman Garage Door Opener

How To Wire Craftsman Garage Door Opener schematickepedarant1.z4.web.core.windows.net

Craftsman Garage Door Wiring Diagram » Wiring Digital And Schematic

Craftsman Garage Door Wiring Diagram » Wiring Digital And Schematic www.wiringdigital.com

Craftsman 1 2 Horsepower Garage Door Opener Wiring Diagram - Wiring Diagram

Craftsman 1 2 Horsepower Garage Door Opener Wiring Diagram - Wiring Diagram wiringdiagram.2bitboer.com

Wiring Diagram For Craftsman Garage Door Opener - Wiring Boards

Wiring Diagram For Craftsman Garage Door Opener - Wiring Boards www.wiringboards.com

How to install and wire a liftmaster garage door opener: step-by-step. 14x14 garage doors: the ultimate guide to oversized solutions. 10 simple steps to wiring your craftsman garage door opener like a pro